● Excellent molding stability
The servo driving system has its pressure and flow under closed
loop control; and compared with traditional injection molders, its
molding repetition precision is improved substantially
● Constant oil temperature
The servo motor output hydraulic oil proportionately to prevent
excessive heat.It can achieve substantial water saving even without cooling.
● Rapid response
The servo driver features rapid response whose rapid starting time
is improved by 50% compared with traditional injection.
● Substantial energy saving
Under the same conditions, it can save 20%-80% energy compared with traditional constant delivery pump injection molders.
● High performance environmental protection
The complete machine features low operating noise, and even quieter during low-speed operation

Technical parameters of the one-piece machine
| 说明 DESCRPTION | UNIT | HS-788 | |||
| 国际公认型号 INTnternational Szize Rating | 5820 | ||||
| 注射装置 Injection Unit | A | B | C | D | |
| 螺杆直径 Screw Diameter | mm | 90 | 95 | 105 | 110 |
| 螺杆长径比 Screw L/D Ratio | L/D | 23 | 21 | 20 | 18.5 |
| 理论注射容积 Theoretical shot volume | cm3 | 2990 | 3331 | 4070 | 4467 |
| 注射重量 Shot Weight(PS) | g | 2721 | 3032 | 3703 | 4065 |
| 注射压力 Injection Pressure | Mpa | 194 | 174 | 143 | 130 |
| 螺杆转速 Max.screw speed | rpm | 110 | |||
| 锁模系统 Clamping Unit | |||||
| 锁模力 Clamping Forec | KN | 8000 | |||
| 开模行程 Opening Stroke | mm | 950 | |||
| 拉杆内间距 Distance Between Tie-bars | mm | 980×950 | |||
| 最大模厚 Max.mold Height | mm | 960 | |||
| 最小模厚 Min.mold Height | mm | 400 | |||
| 顶出行程 Ejector Stroke | mm | 280 | |||
| 顶出力 Ejector Force | KN | 210 | |||
| 其它 Others | |||||
| 电马达功率 Drive power | KW | 37+37 | |||
| 电热功率 Heating capacity | KW | 54.3 | |||
| 外形尺寸 Machine Dimensions | m | 11.43×2.40×3.14 | |||
| 机器重量 Machine Weight | t | 42 | |||
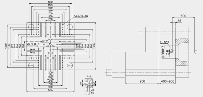
Template dimensions
Clamping part
Haishi creates independently the box type high rigidity mold
structure for the clamping part; the clamping support guide rail adopts
the high rigidity design to reduce the deformation effectively; the
toggle structure optimized and designed with computer achieves
exceptionally stable and rapid clamping; and the enlarged mold
thickness, the gear mold regulation unit and the internally installed
mechanical safety lock as well as the 180-degree rotary product blanking
bucket, all help achieve your individual demands and make your
operation easier!
● The original box type high rigidity template with template`s small
template deformation and pull rod’s long service life can ensure the
performance of die assembly.
● The internally-installed cascade mechanical safety lock will not be
influenced by the mold thickness deformation,and the mechanical
locking bar has been changed from the traditional compressive type to
the tension type,so it is convenient and reliable in use.
● The gear mold regulation unit can regulate mold precisely and with good synchronism.
● The clamping support guide rail uses joist steel structure
with high rigidity in order to lower the deformation of the rack.

●
The toggle structure optimized and designed with the computer
program,cooperating with the regulation of 4 stages and flow during
opening and clamping mold of the controller,in order to achieve
exceptionally stable and rapid clamping.
● Rotary product blanking bucket can adapt to the workshops and products can be taken out from different places.
● The differential motion clamping unit can improve the mold transferring speed and productivity substantially.
● Ejector pin adjustable unit
Injection unit
● Double cylinder injection: it overcomes the weakness of the
traditional
non-synchronous injection motion and great inertia, makes
the injection and transferring motion more stable and improves the
injection precision up to 98.75%.
● The folding type swabbing and injection oil cylinder: it
is more compact than the traditional double cylinder structure with
reasonable energy consumption allocation./p>
● The ship type bridge guide rail: the injection and
transferring adopts the ship type bridge guide rail design with low
noise and smooth travel; it is suitable for high speed application; and
it can maintain the precision for a long time featuring high locating
precision and good repeatability.
● Oil seal: it uses non-rotary sealing technique to prevent leaking.
● The regulation unit at the center of the nozzle: it regulates the nozzle center more conveniently and accurately.
● The rigid connection between injection motion and control
valve, in order to lower the fluctuation of the fluid and improve the
injection precision.
Hydraulic unit
The oil way design of big bore under no resistance can lower
the oil way loss and noise;
it uses the advanced configuration, the
servo control system, so it features energy saving capacity up to 20-80%
and can achieve zero back pressure glue-smelting with plasticizing
capacity and plasticizing effect improved by 60% compared with the
traditional machine; and it uses a high density filtering unit in order
to control the greasy dirt at NASB-9.
● The advanced configuration, the servo system, can save energy up to 20-80%.
● It uses the high pressure filter screen in order to control the greasy dirt at NASB8-9.
● 60 um filter screen has a super strong capacity of receiving pollutant which can be replaced easily.
● The zero back pressure glue-smelting unit improves
plasticizing effect and plasticizing capacity by 60% compared with
common molders.
● According to the fluid simulation analysis, the design of
optimized oil way can achieve a large bore and non-resistance, so its
pipeline loss is more than 10% lower than the traditional design and its
overall unit noise is more than 6 db lower.
● The new type of oil tank design is in favor of air’s
separation, in order to ensure good operation of the servo system, and
it is convenient for cleaning.
Electric control unit
The whole control system of the injection molder features
powerful function and stable
performance with high speed response. The
controller is a new type of controller which is co-developed with a
renowned injection molder computer supplier under the hosting of the
professional and technical personnel of our company. It uses high speed
stable DSP technique, combining with 16 bit high speed analog quantity
input, in order to achieve more precise data detection box control; its
display uses high resolution LCD display, featuring advantages far above
the common computers.
● High resolution color TFT LCD display
● Internally installed multiple language choice
● The operation interface of Windows style has the
function of a oscilloscope which can display the injection speed and the
pressure maintaining pressure curve
● 16 bit high speed AD to make the position measurement of electronic ruler more accurate
● The internally installed lntel 400 MHz high speed CPU control system can achieve high speed response
● The 64M RAM system memory for preservation of different sets of mold data
● It has MMC/SD card port for convenient copying or storage of data.
● The production data recording and monitoring function for the convenience of technical adjustment
● It is equipped the with mechanical arm electrical interface
which can be used to match the special mechanical arms for the injection
molders from home and abroad.
Our advantage
It is a perfect injection molder for most components, thin-wall
and thick-wall injection molding as well as many standard applications. A
wide range of standard functions and multiple options can meet all
kinds of your needs. Moreover, our veteran Haishi technicians devote
themselves to meeting the special demands of the customers every day.
High-quality Haishi injection molder features super low maintenance
ratio, which can improve the productivity of the user substantially.
●Exceptionally high precision and long service life.
The knuckle joint high speed clamping mechanism of the optimal
design lowers the pressure stress at the joint, to ensure the
exceptionally high precision and long service life of the machine.
●Neutron/ height-adjustable camper control
Flexible neutron programming control and independent hydraulic pump station to supply power.
●Extra-wide template design and larger mold scope
The high capacity and wide template design satisfies the scope
of the customers’ choices of the mold to the maximum limit.
●High quality system central lubrication
High performance thin oil central lubrication, moving parts
wearing lowered sharply and locating precision of mold kept for a long
time.
●Convenient product delivery
Take out plastic products from different places and use the
equipment space efficiently, so it is suitable for the installation of
different
●kinds of conveying equipment.
Mobile waste oil cleaning tray makes it convenient to clean the waste oil in the die assembling area.
●High-end controller
Use high performance full computer special controller with large window, color display and complete functions.
Service is everywhere – our eternal belief.
Service runs through the processes of the whole core business of
Haishi as well as equipment manufacturing and marketing. It is required
by the market competition that added value should be provided and that
the customer service also becomes more important. Haishi’s service is
comprehensive from the beginning to the end in order to provide complete
pre-sale consultation, sales support and after-sale services. No matter
how long your machine is used, all users of Haishi will enjoy our
lifetime maintenance service.
● Dedicated technical team:The technical team of Haishi Co. has
enjoyed a good reputation in the injection molder industry for more than
20 years: we don’t only develop and manufacture machinery meeting the
market needs, but lead the customers to the more efficient,
energy-saving and high quality realm through our abundant technical
foundation.
● General information center:The core business of Haishi
technical team is to help the customers overcome difficulties of
injection molding; and to provide comprehensive suggestions and
solutions. We analyze the difficulties of a project in an all-round way
for the customers and recommend machinery meeting the requirements of
the project. The whole proposal gives consideration to economical
efficiency, precision and high efficiency as well as the development
tendency of the future market, so the customers can order according to
their purchasing power and actual demand.
● Timely after-sale service:Haishi owns a modern management
system; and we will notify our cooperating agents and the service staff
on the first line of a service request as soon as possible, and they
will arrive at the site to solve the problem without delay.
● Complete training project:Each cooperating agents of Haishi
injection molders will provide complete training services for our
customers, in order to help them know more about our machine as well as
their proper operation and maintenance. The senior engineers from the HQ
of Haishi will also pay visits to our users regularly, make good
investigation on the use of the customers and update the machine
according to the feedbacks from the customers, in order to make our
machine more adapting to the requirements of the customers.
● Timely global distribution:The level of after-sale service
depends on the supply speed of parts; and Haishi offer the service 7
days each week and 24 hours each day. Our HQ and cooperating agents all
have sufficient inventory of regular parts; for special parts, we
receive the order on the same day and distribute them without delay, in
order to help the customers resume production as soon as possible.

Innovative mechanical design, humanized control and good mechanical performance